服务热线:13916059354

官方微信公众号

首钢京唐公司海水综合利用技术总结与发展报告

2023-08-31

1.前言


随着全球经济的发展及人口的增加,淡水资源匮乏日益严重,已成为全球性的环境问题。沿海地区作为我国人口聚集和经济发展的重心,也是我国水资源最为短缺的地区。海水淡化技术作为淡水资源的一种有效补充手段,受到越来越广泛的关注。当前已知的海水淡化技术可达数十种,主要海水淡化技术包括蒸发法、膜法、电渗析和冰冻法等。目前国际上,多级闪蒸(MSF)、反渗透(RO)和低温多效(LMED)仍是海水淡化工程应用的三大主流技术。在我国的海水淡化产业中应用较多的主要为反渗透和低温多效蒸发技术。根据自然资源部海洋战略规划与经济司发布的《2020年全国海水利用报告》,截至2020 年底,全国现有海水淡化工程135个,工程规模1651083 吨/日。全国海水淡化工程分布在沿海9个省市水资源严重短缺的城市和海岛。海水淡化水的主要用途以工业用水和生活用水为主。其中,海水淡化用于工业用水主要集中在沿海地区北部、东部和南部海洋经济圈的电力、石化、钢铁等高耗水行业。

由此可见,依靠科技的有力支撑,通过海水淡化有效提高我国水资源保障能力已成为重要选择。海水淡化技术在工业中的应用逐年增加,在满足工业生产用水需求的同时,大幅降低了对地表水源的需求与依赖,同时做到了新水源的开发。然而,由于现有技术的局限性,海水淡化过程中产生的大量浓盐水无法得到进一步利用,直接排放到附近海湾,不仅浪费宝贵的海洋资源,而且会引起新的环境污染风险,特别是对环渤海半封闭海域生态环境的影响尤为突出。同时,海水淡化制水成本偏高,浓盐水资源化利用尚无成熟技术,制约了海水淡化向更大规模的发展。因此,降低制水成本、开发淡化后浓盐水综合利用技术是解决海水淡化技术大规模发展的必经之路。


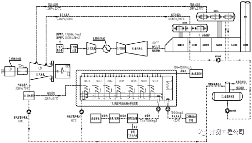
2.工业应用

首钢京唐钢铁联合有限责任公司位于唐山市南部的渤海湾曹妃甸工业区内,该钢铁厂临海建设。建厂以来,首钢京唐公司充分利用临海靠港优势,大力开发利用海水淡化技术,一期建设四套热法低温多效海水淡化装置,日产淡水5 万吨。2019年以来先后建设投运燃气蒸汽联合循环发电机组、国内单体规模最大的3.5万吨/天热法海水淡化装置、国内首套1 万吨/天热膜耦合式海水淡化项目及10 万吨/年浓盐水综合利用中试生产线。各装置之间串联运行,钢铁厂内富余煤气用于发电机组,汽轮机发电后低品质乏汽用于热法海水淡化装置动力热源产出淡水,用于钢铁厂内除盐水补充。热法海水淡化装置排放浓盐水送至膜法海水淡化系统进行二次淡化,产品水用于钢铁厂内一般生产水,浓缩海水则输送至下游盐碱企业进行深加工,将浓海水中含量较高的镁、钾、溴、锂及氯化钠等以高附加值产品的形式产出,实现了钢铁厂内能源及海水资源的高效梯级利用。系统工艺流程见图2-1:

         图片

图2-1 首钢京唐公司能源及海水资源综合利用工艺流程

Fig.2-1 Process flow of comprehensive utilization of energy and seawater resources in Shougang Jingtang company

2.1热法海水淡化系统

结合首钢京唐公司实际情况,并考虑当地地表水资源情况及国家相关政策,钢铁厂内热法海水淡化采用低温多效蒸馏工艺,一期建设规模为5万吨/天,单机产水规模1.25万吨/天,共4套;二期建设规模为3.5万吨/天,单机产水规模3.5万吨/天,共1套。热法海水淡化产品水水质较好,应用于钢铁厂除盐水、软化水及生产新水补充。热法海水淡化装置排放浓盐水则输送至下游膜法海水淡化系统进行二次淡化处理。热法海水淡化装置现场照片见图2-2。

图片 图片

图2-2 首钢京唐公司一期、二期海水淡化装置

Fig.2-2 Shougang Jingtang Phase I & II seawater desalination units

目前,行业内常规做法是从背压汽轮机或蒸汽管网抽取中压蒸汽(大于200°C),然后将中压蒸汽进行减温、减压处理后进入热法海水淡化装置再通过蒸汽压缩器进行海水淡化。由于该方式抽取的中压蒸汽是汽轮机中没有充分膨胀做功的优质蒸汽,或从高参数蒸汽管网引入的蒸汽,具有较高价值,由此也直接导致海水淡化的制水成本较高。首钢京唐公司热法海水淡化装置主体设备与汽轮机发电机组直接组合,取消汽轮机凝汽器,利用其末端排放乏汽(约70 °C)作为动力热源,该蒸汽在热法海水淡化装置第一效冷凝后等量返回CCPP发电机组余热锅炉补水系统。按照《工业余热术语、分类、等级及余热资源量计算方法》GB/T1028-2000相关标准规定计算系统余热回收率为95.7 %,系统整体热效率从30%提高至81.5 %。因此,热法海水淡化与发电机组的联合应用实现了首钢京唐钢铁厂内余能高效梯级利用,并显著降低了海水淡化的制水成本。首钢京唐热法海水淡化装置投运已超过十年,运行稳定,性能及产水水质优良,详见表2-1。

表2-1 首钢京唐热法海水淡化示范装置性能测试值表

Tab. 2-1 Shougang Jingtang thermal seawater desalination unit performance test result

序号

项目

保证值

实际运行值

1

产水水质

TDS = 5 mg/L

TDS = 2.3 mg/L

2

造水比

6.07

6.12

3

蒸馏水温度

33 

31 

2.2膜法海水淡化系统

首钢京唐钢铁厂膜法浓海水淡化工程产水规模为10000 m3/d,采用UF超滤+SWRO海水反渗透双膜法工艺,淡化产品水应用于钢铁厂生产新水补充。本工程是国内首次采用以热法海水淡化排放浓海水为进水的膜法海水淡化系统,有效解决了北方地区冬季海水水温低不适宜反渗透生产问题,产生淡化水的同时可进一步提高浓海水的含盐量至70000 mg/L,其可作为下游盐化工企业的原料。

热法海水淡化装置排放浓海水水质指标详见表2-2:

表2-2 热法海水淡化排放浓海水主要水质指标

Tab. 2-2 Thermal seawater desalination unit brine quality index

序    号

项    目

指    标

1

pH值

8.11

2

TDS

43900 mg/L

3

氯化物

24000 mg/L

4

硫酸盐

3560 mg/L

5

Ca2+离子

483 mg/L

6

Mg2+离子

1460 mg/L

7

Na+离子

12800 mg/L

将冷却后的热法海水淡化浓盐水引至海水淡化厂区的原水池,通过提升泵提升至预处理系统多介质过滤器,滤后水经自清洗过滤器直接进入超滤装置。超滤系统的作用是脱除海水中悬浮物、颗粒、胶体、细菌、微生物以及大分子有机物,使其产水SDI<3,保证后续反渗透系统长期稳定的运行。本工程采用外压式PVDF超滤膜,在保证性能和机械强度的同时,可以经受高强度化学清洗和气水反洗,从而满足超滤系统长时间稳定运行的要求。海水反渗透(SWRO)装置通过SWRO进水泵由超滤水池提升至SWRO装置,SWRO反渗透采用芳香聚酰胺复合膜,其具有高脱盐率、大通量以及运行压力低等优点。SWRO装置产水进入淡水池贮存,可由水泵外供至厂区生产水管网。同时,SWRO反渗透装置排放浓盐水由管道输送至下游化工企业作为原料使用。膜法海水淡化工艺流程如下:

冷却后的热法海水淡化浓盐水 → 原水池 → 给水泵 → 多介质过滤器 → 自清洗过滤器 → 超滤装置 → 超滤产水池 → 海水反渗透提升泵 → 保安过滤器 → 海水反渗透高压泵组(含能量回收装置) →海水反渗透装置 → 淡水池 → 供水泵 → 厂区生产水用户

首钢京唐公司膜法海水淡化装置见图2-3:

图片 图片

图2-3 首钢京唐膜法海水淡化装置

Fig.2-3 Shougang Jingtang RO seawater desalination units

首钢京唐膜法海水淡化工程为我国首个利用热法海水淡化浓盐水作为原料水的万吨级淡化项目,于2020年底投入运行,至今产水水质良好且运行稳定。淡化后产水用于工业用水,其含盐量、氯离子满足厂区生产水要求,经过二次浓缩后的浓盐水送至下游盐化工企业作为原料进行利用。膜法淡化产品水水质情况见表2-3,二次浓缩的浓盐水水质详见表2-3。

表2-3  膜法海水淡化产水质指标

Tab. 2-3 RO seawater desalination unit production water quality index

序 号

项  目

单  位

指  标

1

水温

≤33

2

TDS

mg/L

<380

3

pH


7-8

表2-4  膜法海水淡化浓盐水水质指标

Tab. 2-4 RO seawater desalination unit brine quality index

序号

项    目

指    标

1

pH值

8.1

2

TDS

72900 mg/L

3

氯化物

39800 mg/L

4

硫酸盐

5928 mg/L

5

Ca2+离子

804 mg/L

6

Mg2+离子

2430 mg/L

7

Na+离子

21300 mg/L

通过长期的运行及对比,使用热法浓盐水作为原料水具有进水水质好、预处理加药量少的优点。此外,由于进水含盐量较高导致反渗透渗透压较高,吨水电耗略高,产水水质略差于常规膜法海水淡化。但由于其排放浓水含盐量较高(>70000 mg/L),在浓水零排放的同时具有一定经济价值。


2.3浓盐水综合利用项目

为更好实现海水资源的综合利用,首钢京唐公司在完成海水淡化的同时,按照“水盐协同”的技术路线,建设了10 万吨/年浓海水资源化综合利用示范工程,开发了以“脱硬软化--二次淡化”为核心的浓海水综合利用新工艺,形成了海水钙、镁、钠、溴等有价元素梯级分离、高效利用的技术路线,进一步降低海水淡化制水成本。此外,通过捕集回收钢铁厂排放的CO2,并与海水脱硬和制碱工业相结合实现固碳减排,构建海水综合利用的循环经济产业链。在小试研究基础上,集成和优化多种先进的浓盐水处理技术,完成关键设备选型与设计,建立运行了示范装置;通过示范工程确定优化的工艺路线及最佳工艺条件,形成完整工艺技术及过程装备,取得了阶段性成果,为大型海水淡化浓盐水综合利用项目提供可靠的技术支撑。首钢京唐公司浓盐水综合利用示范装置详见图2-4。

图片

图2-4 首钢京唐浓盐水综合利用示范装置

Fig.2-4 Shougang Jingtang brine comprehensive utilization units

2.3.1 浓盐水硬度元素的分离和资源化利用

该示范装置利用经热法、膜法海水淡化系统浓缩后浓盐水作为原料,通过添加碳酸钠、氢氧化钠溶液及钢铁厂回收二氧化碳将海水中钙、镁元素进行提取并制备成具有较高经济价值的盐类产品。

2.3.1.1 碳酸钙制备

碳酸钠固体混合配成碳酸钠溶液,碳酸钠溶液经泵提升至结晶器,浓海水经过滤后进入结晶器与碳酸钠溶液反应,经过一定的停留时间后,结晶液进入一次压滤机过滤,滤液进入脱钙液储槽,滤料进入打浆洗涤槽经淡水洗涤后进入二次压滤机进行二次过滤,产生的滤液返回结晶器重新反应,产生的滤料进入气流干燥器,滤料经干燥后产出碳酸钙成品。化学反应式为:CaCl2 + Na2CO→ CaCO3↓ + 2NaCl

经检测,脱钙过程能脱除浓盐水90%以上的Ca2+离子。在碳酸钙结晶方面,研究发现了复杂电解质溶液体系中碳酸钙晶型转换的动力学规律;克服了碳酸钙、碳酸镁共沉淀现象;系统优化了温度、浓度、搅拌等工艺条件。海水制备碳酸钙,纯度大于95 %,白度大于90,体积平均粒度约10 微米。浓盐水制备碳酸钙外貌分析详见图2-5。

图片 

图2-5 碳酸钙形貌分析

Fig.2-5 Morphology analysis of calcium carbonate

2.3.1.2 氢氧化镁制备

烧碱溶液和脱钙后浓盐水混合反应结晶,生成氢氧化镁晶体,氢氧化镁浆料经过过滤、洗涤、干燥,获得氢氧化镁产品。氢氧化镁经过结构改性和表面改性,可制备阻燃剂氢氧化镁粉体。

化学反应式为:MgCl+ 2NaOH → Mg(OH)2↓ + 2NaCl

经检测,脱镁过程基本能脱除浓盐水中全部Mg2+,氢氧化镁结晶方面,浓盐水的烧碱反应一次合成可得工业级氢氧化镁产品。进一步采用水热改性工艺,纯度达99.66%,杂质CaO为0.02 %,白度达97.66,干燥减量为0.16 %,灼烧矢量为31.19 %,比表面积(BET)为3.57 m2/g,团聚粒径D50为1.88 μm,平均一次粒径为0.69 μm,团聚指数为2.7,颗粒厚度为185 nm,(101)面微观应变力为2.296×10-3,符合阻燃型氢氧化镁的标准。氢氧化镁水热改性前后形貌分析见图2-6。

图片

图2-6 氢氧化镁水热改性前后形貌分析

Fig.2-6 Morphology analysis of magnesium hydroxide before and after hydrothermal modification

2.3.1.3 碳酸镁制备

氢氧化镁碳化过程为气液固三相传质过程,该动力学过程涉及氢氧化镁在水中溶解、二氧化碳在氢氧化镁料浆中的溶解扩散、反应吸收以及碳酸氢镁或三水碳酸镁的生成过程。首先,二氧化碳分子水化形成水合二氧化碳分子,水合二氧化碳分子向氢氧化镁固体表面扩散,二氧化碳水合分子与氢氧化镁发生化学反应,反应形成的产物碳酸氢镁离开氢氧化镁向溶液中扩散。由于碳酸氢镁在常温下无法富集且不稳定,最终会转化为碳酸镁水合物。碳化过程可以用化学方程式可以表示为:

         

Mg(OH)2+3CO2Mg(HCO3)2

Mg(HCO3)2+2H2OMgCO3•3H2O+CO2

5Mg(HCO3)24MgCO3•Mg(OH)2•4H2O+6CO2

碳酸镁结晶方面,以碳酸氢镁溶液为前驱体,优化碳化液热解工艺条件,经检测制备出氧化镁含量为41.401 %、氧化钙含量为0.152 %、堆积密度为0.11g /mL的碱式碳酸镁产品。浓盐水制备碳酸镁外见图2-7。

图片 图片

图2-7 碳酸镁形貌分析

Fig.2-7 Morphology analysis of magnesium carbonate

2.3.2 脱钙后浓盐水资源化利用

脱钙、镁后的浓盐水经高压反渗透或电渗析二次浓缩处理后(含盐量TDS>120000 mg/L)可作为原料卤水,同时利用钢铁厂内回收二氧化碳进行纯碱的制备。氨碱法制备纯碱的反应步骤为: 以浓盐水(氯化钠)、石灰石(经煅烧生成生石灰和二氧化碳)、氨气为原料来制取纯碱。先使氨气通入饱和食盐水中而成氨盐水,再通入二氧化碳生成溶解度较小的碳酸氢钠沉淀和氯化铵溶液。含有氯化铵的滤液与石灰乳Ca(OH)2混合加热,所放出的氨气可回收循环使用。化学反应式为:

NaCl+NH3+CO2+H2ONaHCO3+NH4Cl

2NaHCO3Na2CO3+CO2 +H2O

CaCO3CaO+CO2↑(可采用钢铁厂石灰套筒窑回收的CO2

CaO+H2O=Ca(OH)2

2NH4Cl+Ca(OH)2=CaCl2+2NH3↑+2H2O


3.结论

中国已经成长为世界第二大经济体,工业是我国经济发展的支柱与基础,其中钢铁工业是重要的基础工业部门,是发展国民经济与国防建设的物质基础。冶金工业的水平也是衡量一个国家工业化的标志,提供了社会经济发展所需的基本生产资料,在国民经济中占有重要地位。京津冀地区钢铁工业尤其集中,同时也就对水资源存在巨大需求,但由于地理环境影响,京津冀地区淡水资源极其匮乏。因此,经济发展与水资源短缺之间矛盾突出,特别是工业与民用之间用水矛盾日益尖锐。为了解决区域缺水问题,发展非常规水资源就成为水资源“开源”的重要途径。

首钢京唐公司通过两期海水淡化及其配套工程的建设,实现了水电共生、热膜耦合及水盐协同,对钢铁厂内余能余热及海水资源的高效梯级利用,大幅降低海水淡化制水成本的同时将排放浓盐水中有价元素实现资源化利用。根据浓盐水示范装置运行数据,每吨浓盐水可制备碳酸钙1.31 kg、氢氧化镁3.96 kg、碳酸镁(按照碱式碳酸镁计)6.34 kg/t;理论上可制备纯碱23.00  kg/t浓盐水(按照氨碱法73 %转化率)、可制备烧碱21.41 kg/t浓盐水(按照90 %转化率)。此外,通过制备碳酸镁及纯碱,每吨浓盐水可实现12.55  kg二氧化碳的固定。因此,如将浓盐水综合利用生产线规模扩大化后经济效益可观,社会效益显著。

首钢京唐公司海水综合利用技术工业化应用的成果如能在全国得到应用,将提供全新模式的海水淡化系统,实现循环经济海水综合利用新型盐化工产业链,带动相关产业的发展实现循环经济海水综合利用新型盐化工产业链,节省大量用于滩晒盐占地面积,创造巨大经济效益,保护海洋生态环境。同时可以有效利用钢厂、电厂、化工厂的废热废气,减少二氧化碳排放,实现碳减排及碳固定。



来源:首钢工程公司